WAGO 750-531 представляет собой четырехканальный модуль дискретного вывода с двухпроводным подключением. Он применяется для управления исполнительными механизмами 24 В постоянного тока в системах, требующих прямого подключения нагрузки без дополнительных клемм.
Модуль 750-531 предназначен для эффективной коммутации нагрузок в распределенных системах управления. Устройство оснащено четырьмя каналами с током до 0,5 А на каждый. Благодаря двухпроводной топологии подключения, монтаж приводов и клапанов становится более простым и компактным. Внутренняя схема защиты обеспечивает безопасную работу даже при коротком замыкании. Модуль гальванически изолирован от системной шины, что повышает общую надежность комплекса. Использование безвинтовых зажимов гарантирует высокую скорость сборки и долговечность контактов. Прибор широко используется в системах отопления, вентиляции и промышленной автоматики.
| Параметр | Значение |
| Фирма | WAGO |
| Модель | 750-531 |
| Количество выходов | 4 |
| Выходной ток | 0.5 А на канал |
| Тип подключения | 2-проводное |
| Изоляция | 500 V |
| Ширина корпуса | 12 мм |

Status -Статус
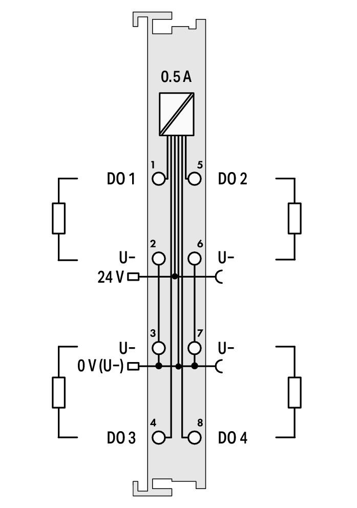
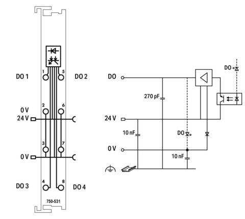
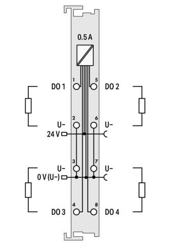
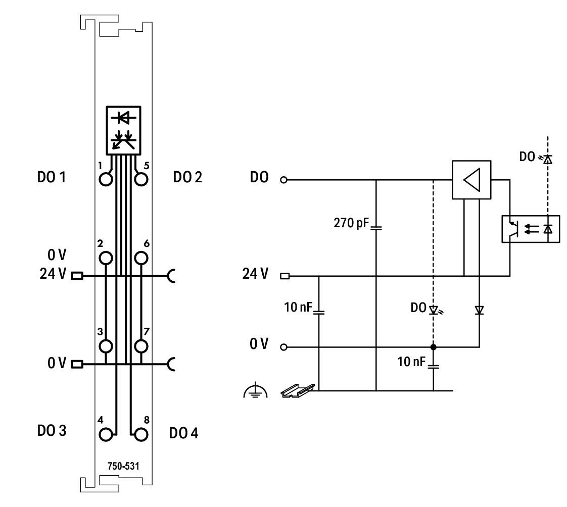
DO 1 - Цифровой выход 1
DO 2 - Цифровой выход 2
DO 3 - Цифровой выход 3
DO 4 - Цифровой выход 4
Data contacts - Контакты передачи данных
0 V - 0 В
Power jumper contacts - Силовые перемычки (контакты питания)
750-531 - Артикул (модель)
| Категория | Серия (артикулы) | Примеры моделей | Описание |
| Fieldbus Couplers (Каплеры) | 750-3xx | 750-333, 750-352, 750-362 | Интерфейсные модули для связи с верхним уровнем (PROFIBUS, ETHERNET, Modbus TCP/UDP). |
| Controllers (ПЛК) | 750-8xx | 750-880, 750-8212 (PFC200) | Программируемые контроллеры для локального управления и обработки данных. |
| Digital Input (Дискретные входы) | 750-4xx | 750-400, 750-430, 750-1405 | Модули на 2, 4, 8 или 16 каналов для приема сигналов 24V DC, 230V AC. |
| Digital Output (Дискретные выходы) | 750-5xx | 750-501, 750-530, 750-1504 | Управление реле, транзисторные выходы для исполнительных механизмов. |
| Analog Input (Аналоговые входы) | 750-4xx | 750-455, 750-494 | Измерение тока (4-20 mA), напряжения (0-10 V), модули измерения мощности. |
| Analog Output (Аналоговые выходы) | 750-5xx | 750-550, 750-559 | Формирование управляющих сигналов 0-10 V или 0/4-20 mA. |
| Specialty Modules (Спец. функции) | 750-6xx | 750-638, 750-652, 750-641 | Счетчики, интерфейсы RS-232/485, управление DALI или EnOcean. |
| System Modules (Системные) | 750-6xx | 750-600, 750-602, 750-622 | Оконечные модули (End Module), модули питания и разделения потенциалов. |
- Прямое подключение двухпроводных нагрузок к модулю.
- Встроенная электронная защита от сверхтоков.
- Высокая энергоэффективность внутренних цепей.
Компактность и функциональность для точного управления вашим оборудованием.