WAGO 750-402 представляет собой четырехканальный модуль дискретного ввода с повышенной помехозащищенностью. Он применяется в составе систем WAGO 750 для сбора сигналов 24 В постоянного тока в зонах с интенсивным уровнем электромагнитных наводок.
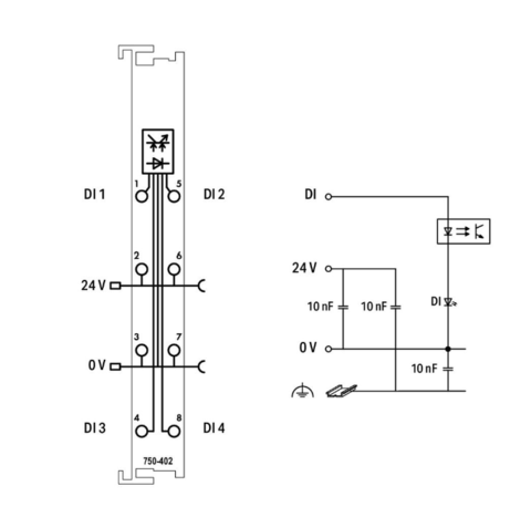
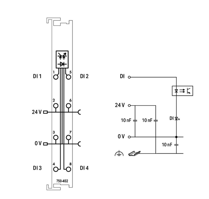
Модуль дискретного ввода 750-402 разработан для надежной эксплуатации в тяжелых промышленных средах. Устройство детектирует наличие напряжения на четырех независимых каналах и передает данные контроллеру. Внутренняя схема фильтрации (3,0 мс) предотвращает обработку случайных всплесков напряжения, обеспечивая высокую достоверность логических уровней. Оптронная развязка изолирует полевые входы от внутренних системных шин, предотвращая выход из строя дорогостоящих компонентов станции при неисправностях в кабельных линиях датчиков. Компактный пластиковый корпус легко монтируется на DIN-рейку. Проверенная временем технология зажима проводников обеспечивает долговечность и отсутствие необходимости в периодической протяжке контактов. Модуль широко используется в энергетике, машиностроении и автоматизации инфраструктуры благодаря своей стабильности и долговечности.
| Параметр | Значение |
| Фирма | WAGO |
| Модель | 750-402 |
| Количество входов | 4 |
| Тип сигнала | 24 V DC |
| Входной фильтр | 3.0 мс |
| Изоляция | 500 V |
| Подключение | CAGE CLAMP |
| Ширина | 12 мм |

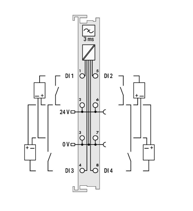
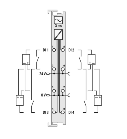
Status - Статус
DI 1, DI 2, DI 3, DI 4 - Цифровые входы 1, 2, 3, 4
Data contacts - Контакты передачи данных
24 V - 24 В
0 V - 0 В
Power jumper contacts - Силовые перемычки (контакты питания)
750-402 - Номер модели модуля
- Повышенная надежность в условиях сильных промышленных помех.
- Полная интеграция в любую систему на базе WAGO I/O.
- Безошибочное подключение проводов без инструментов.
Безупречный сбор данных в самых суровых условиях эксплуатации.