Ifm, серия IY, модель IY5036 представляет собой индуктивный датчик с резьбой M5, диапазоном срабатывания 0.8 мм, и цифровым PNP‑выходом.
Индуктивный датчик IY5036 от ifm electronic предназначен для бесконтактного обнаружения металлических объектов на малой дистанции, обычно монтаж в ограниченных пространствах с использованием резьбы M5. Рабочее напряжение — стандартное для подобных устройств, 10–36 В DC, с цифровым выходом PNP, типа Normally Open, c защитами от короткого замыкания, переполюсовки и перегрузки.
Устройство применяют в системах автоматизации, контроллерах позиционирования, упаковочных и роботизированных линиях, где необходим точный срабатывающий отклик до ~2 кГц. Часто упоминается как «малогабаритный proximity-сенсор», «индуктивный сенсор для металла», «компактный M5‑датчик ifm». Его преимуществом считают простоту установки, совместимость с нестандартными монтажными условиями и устойчивость к промышленным помехам. Корпус изделия обычно выполнен из нержавеющей стали или латуни, степень защиты – IP65 или выше, эксплуатационный диапазон температур — от –25 °C до +70 °C.
Этот индуктивный датчик обеспечивает стабильную работу в агрессивных и технологичных средах, простоту подключения — трёхпроводное исполнение (питание, земля, выход), а LED-индикатор выхода увеличивает удобство диагностики без вскрытия. Имеются версии с цветной светодиодной индикацией состояния, что делает монтаж и обслуживание ещё более удобными.
| Производитель | ifm electronic GmbH, Германия |
| Серия | IY (компактные индуктивные датчики) |
| Модель | IY5036 |
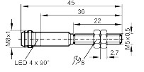
| Тип датчика | Индуктивный, резьба M5 × 0.5 |
| Диапазон срабатывания | 0.8 мм (flush) |
| Напряжение питания | 10–36 В DC |
| Выход | Цифровой PNP, нормально разомкнут |
| Ток нагрузки | до 100 мА |
| Нагрузочное падение напряж. | < 2.5 В |
| Потребление тока | ≈ 15 мА при 24 В |
| Частота переключения | до 2000 Гц |
| Корпус | Нержавеющая сталь или латунь, IP65 |
| Температурный диапазон | −25…+70 °C |
| Вес | ≈ 11.8 г |
| Защиты | К. з., перегрузка, переполюсовка |

- Компактный корпус M5, подходит для ограниченных монтажных мест.
- Высокая частота переключения до 2 кГц — быстрый отклик.
- Надёжная защита: короткое замыкание, перегрузка, переполюсовка.
- Высокая защита IP65 — надёжность в промышленных условиях.
- PNP‑выход NO — привычная схема подключения.
- Светодиодный индикатор выхода (4 × 90°) — контроль состояния
- Производство в Германии, стандарты CE, CUL, (CCC)
- Отличная ремонтопригодность — легко заменить при обслуживании.
Индуктивный сенсор IY5036 предназначен для надёжного обнаружения металлических объектов на малых расстояниях (0.8 мм). Компактный M5‑формат обеспечивает гибкую установку даже в ограниченных пространствах. Степень защиты IP65 и встроенные защиты делают его идеальным для промышленной автоматизации и машин, где необходима высокая надёжность и быстродействие.