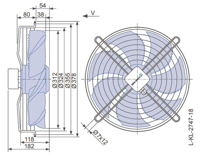
ZIEHL-ABEGG FN031-4DK.0F.V7P2 представляет собой осевой вентилятор серии FE2owlet AC с диаметром рабочего колеса 310 мм, предназначенный для промышленных систем вентиляции и охлаждения. Вентилятор оснащён трехфазным асинхронным двигателем AC, работает при напряжении 230/400 В и частоте 50 Гц с частотой вращения 1450 об/мин, обеспечивает эффективный воздушный поток при низком уровне шума и высокой долговечности.
Модель FN031-4DK.0F.V7P2 характеризуется высококачественными алюминиевыми лопастями с литьём под давлением, динамически уравновешенными по двум уровням для снижения вибраций и шума. Вентилятор использует классическую технологию AC, оборудован системой защиты двигателя и рассчитан на продолжительный срок службы при эксплуатации в промышленных и климатических условиях.
Корпус и монтажные детали обеспечивают легкий и надежный монтаж в системах кондиционирования, вентиляционных установках, холодильных компрессорах и других технических комплексах, где требуется стабильный и мощный воздушный поток. Максимальная температура окружающей среды для работы устройства составляет +70 °C.
Вентилятор совместим с частотными преобразователями для регулирования скорости вращения, что позволяет повысить энергоэффективность и адаптировать работу к конкретным технологическим процессам.
| Производитель | ZIEHL-ABEGG |
| Модель | FN031-4DK.0F.V7P2 |
| Серия | FE2owlet AC |
| Тип двигателя | Асинхронный, трехфазный |
| Частота питания | 50 Гц |
| Напряжение питания | 230/400 В AC |
| Диаметр рабочего колеса | 310 мм |
| Частота вращения | 1450 об/мин |
| Мощность | 0,12 кВт |
| Ток (230/400 В) | 0,68 / 0,39 А |
| Класс изоляции двигателя | F |
| Вес | 4,9 кг |
| Степень защиты | IP54 |
| Материал лопаток | Алюминий, литьё под давлением |
| Уровень шума | Пониженный (динамическое уравновешивание) |
| Температурный диапазон | До +70 °C |

- Устойчивость к вибрациям и низкий уровень шума благодаря балансировке по двум уровням
- Высокая эффективность и долговечность алюминиевых лопастей
- Возможность регулировки скорости с частотными преобразователями
- Класс защиты IP54 для промышленного применения в условиях повышенной влажности и пыли
- Широкий температурный диапазон работы