EJX530A-EBS9N-019DN/D3/N4/VR представляет собой датчик от производителя Yokogawa. Серия EJX-A - это линейка DPharp-передатчиков Yokogawa с высочайшей производительностью.
Выпущенный в 2004 году, он обеспечивает производительность и стабильность, необходимые в сложных условиях эксплуатации. Характеристики серии EJX-A делают ее чистокровной представительницей семейства преобразователей давления DPharp. Преобразователь дифференциального давления Yokogawa с цифровым датчиком DPharp обеспечивает производительность и интеллектуальные возможности устройства, необходимые для более глубокого изучения технологического процесса. Цифровой датчик DPharp компании Yokogawa обеспечивает вдвое большую производительность и стабильность по сравнению с аналоговыми датчиками конкурентов. В DPharp используются новейшие технологии проектирования и производства микросхем. Аналоговые датчики основаны на более старой технологии проектирования. Хотя аналоговые датчики хороши, современные датчики DPharp превосходят их. Передатчик Yokogawa с цифровым датчиком DPharp обеспечит вам стабильные, надежные и точные измерения, которые вам необходимы.
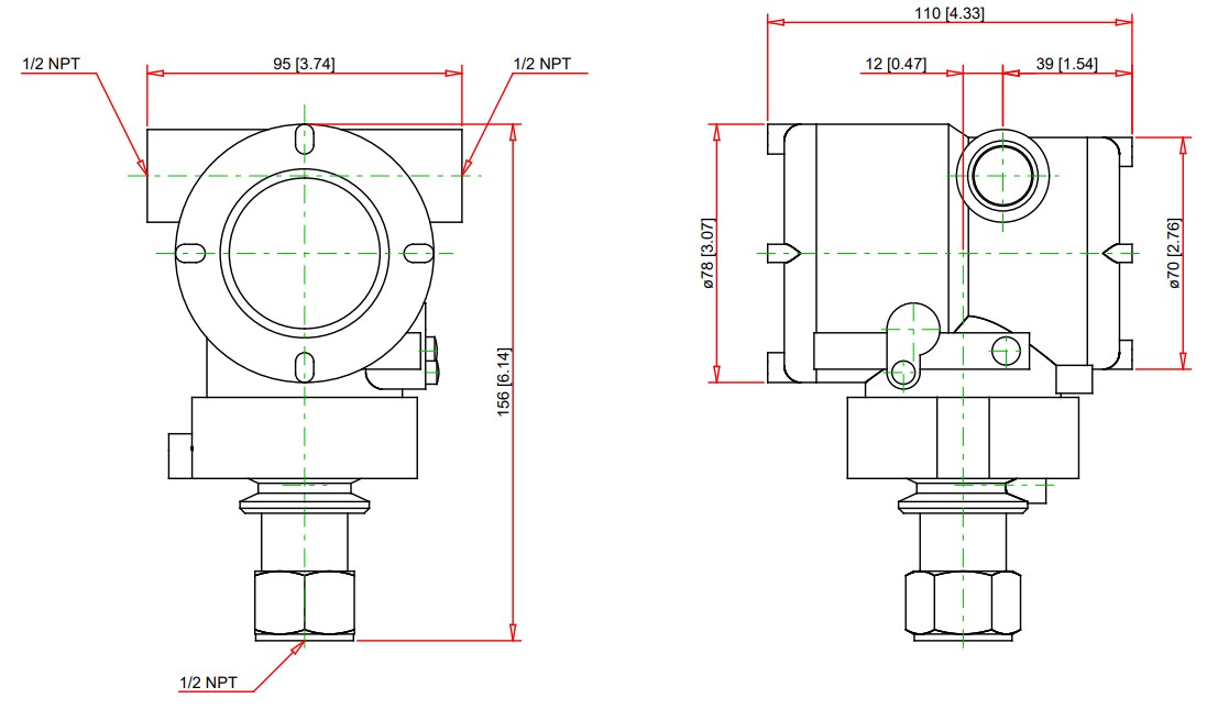
| Заказной номер производителя | EJX530A-EBS9N-019DN/D3/N4/VR |
| Типы измерений | Абсолютное давление |
| Точность отсчета | ±0,04% от диапазона |
| Стабильность | ±0,1% от URL за 15 лет |
| Время отклика | 90 мс |
| Давление разрыва (абсолютное) Капсула A, B или C | 4 350 фунтов на квадратный дюйм (30 МПа) |
| Давление разрыва (абсолютное) капсулы D | 19 100 фунтов на квадратный дюйм (132 МПа). |
| Соответствие спецификации Серия EJX-A | ±3σ |

OpreX - это комплексный бренд для бизнеса Yokogawa в области промышленной автоматизации (IA) и управления, который означает превосходство в соответствующих технологиях и решениях. Он состоит из категорий и семейств в каждой категории. Данный продукт относится к семейству OpreX Field Instruments, которое объединено в категорию OpreX Measurement.
Техническое_описание_Yokogawa_EJX530A-EBS9N-019DN/D3/N4/VR.pdf