WAGO 750-636 представляет собой интеллектуальный модуль управления приводами постоянного тока или пропорциональными клапанами. Он применяется для прецизионного регулирования скорости или положения механизмов с использованием широтно-импульсной модуляции (ШИМ).
Данный модуль является специализированным контроллером движения в составе системы 750. Принцип работы устройства основан на формировании высокочастотного ШИМ-сигнала 20 кГц для плавного управления напряжением на нагрузке. Модуль поддерживает работу с энкодерами обратной связи, что позволяет реализовывать замкнутые контуры позиционирования непосредственно на уровне модуля I/O. Устройство может управлять одним реверсивным двигателем в мостовом режиме или двумя независимыми однонаправленными приводами. Внутренняя логика модуля контролирует параметры тока и температуры, обеспечивая защиту привода от перегрузок. Программная настройка параметров (частота, рампы ускорения) делает устройство универсальным для различных типов двигателей постоянного тока. Модуль находит применение в робототехнике, дозирующих установках и мобильной технике.
| Параметр | Значение |
| Фирма | WAGO |
| Модель | 750-636 |
| Тип управления | PWM (ШИМ) |
| Выходное напряжение | 24 V DC |
| Частота ШИМ | до 20 кГц |
| Обратная связь | Энкодер A, B, Z |
| Выходной ток | до 2 А (пиковый до 5 А) |
| Ширина | 12 мм |

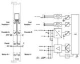
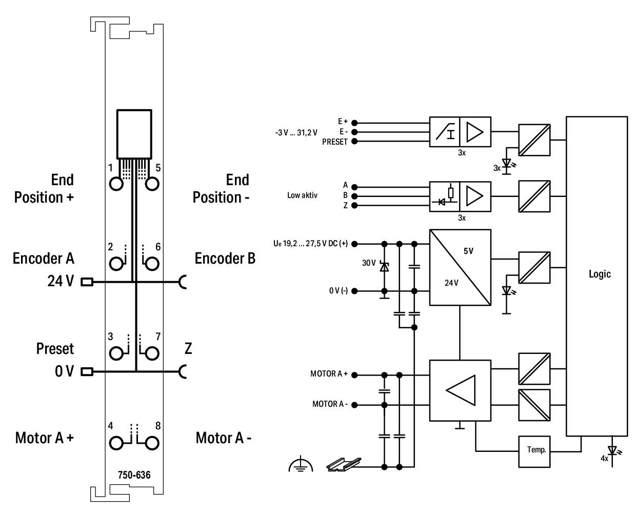
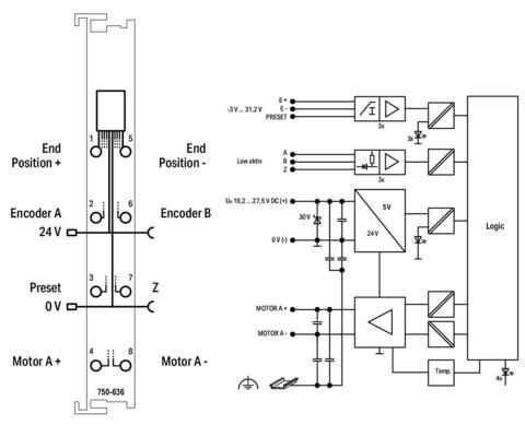
End position + - Конечное положение +
End position - - Конечное положение -
Preset - Предустановка (сброс или задание значения)
24 V OK - 24 В в норме (питание в порядке)
PWM current limitation - ШИМ-ограничение тока
Position OK - Положение в норме
not connected - не подключено
Operating failure - Сбой в работе / Ошибка работы
Data contacts - Контакты передачи данных
Encoder A - Энкодер A
Encoder B - Энкодер B
Z - Z-метка (индексный канал энкодера)
Motor A + - Двигатель A +
Motor A - - Двигатель A -
Power jumper contacts - Силовые перемычки (контакты питания)
Low aktiv - Активный низкий уровень
Logic - Логика (блок логики)
Temp. - Температура (датчик температуры)
Ue - Входное напряжение
0 V - 0 В (общий минус)
750-636 - Номер модели модуля
13, 14 - Номера сервисных контактов
E+, E-, P, Z, A, B, A+, A- - Маркировка клемм в соответствии с сигналами выше
| Категория | Серия (артикулы) | Примеры моделей | Описание |
| Fieldbus Couplers (Каплеры) | 750-3xx | 750-333, 750-352, 750-362 | Интерфейсные модули для связи с верхним уровнем (PROFIBUS, ETHERNET, Modbus TCP/UDP). |
| Controllers (ПЛК) | 750-8xx | 750-880, 750-8212 (PFC200) | Программируемые контроллеры для локального управления и обработки данных. |
| Digital Input (Дискретные входы) | 750-4xx | 750-400, 750-430, 750-1405 | Модули на 2, 4, 8 или 16 каналов для приема сигналов 24V DC, 230V AC. |
| Digital Output (Дискретные выходы) | 750-5xx | 750-501, 750-530, 750-1504 | Управление реле, транзисторные выходы для исполнительных механизмов. |
| Analog Input (Аналоговые входы) | 750-4xx | 750-455, 750-494 | Измерение тока (4-20 mA), напряжения (0-10 V), модули измерения мощности. |
| Analog Output (Аналоговые выходы) | 750-5xx | 750-550, 750-559 | Формирование управляющих сигналов 0-10 V или 0/4-20 mA. |
| Specialty Modules (Спец. функции) | 750-6xx | 750-638, 750-652, 750-641 | Счетчики, интерфейсы RS-232/485, управление DALI или EnOcean. |
| System Modules (Системные) | 750-6xx | 750-600, 750-602, 750-622 | Оконечные модули (End Module), модули питания и разделения потенциалов. |
- Реализация автономного контура управления движением.
- Поддержка различных типов энкодеров и датчиков.
- Встроенная диагностика состояния привода.
Интеллектуальное управление движением в компактном модульном формате.