WAGO 750-601 представляет собой модуль подачи питания (24 В постоянного тока) со встроенным держателем предохранителя. Он применяется для распределения электропитания между последующими модулями ввода-вывода в пределах одной станции и защиты сегмента от перегрузок.
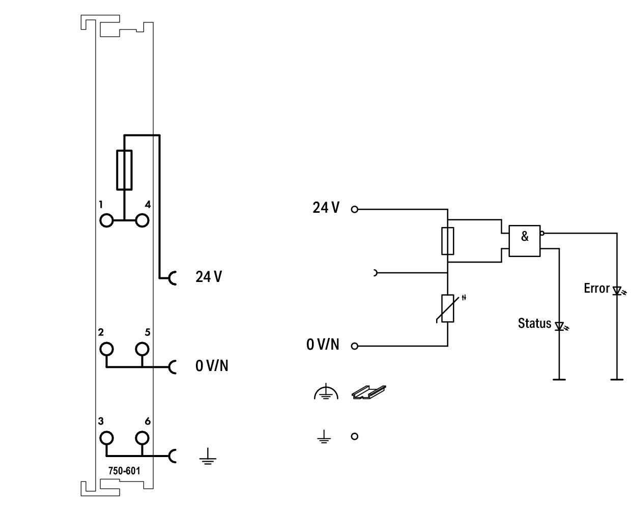
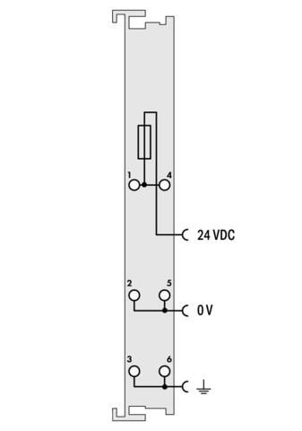
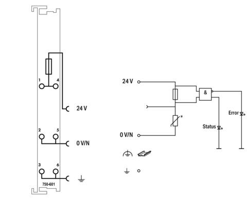
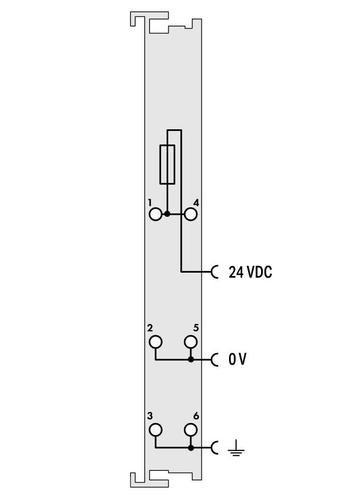
Модуль 750-601 является системным компонентом, предназначенным для формирования безопасного сегмента питания силовой шины. Принцип работы устройства заключается в приеме внешнего напряжения 24 В и его трансляции на ножевые контакты питания для соседних модулей. Устройство оснащено выдвижным держателем для стандартного плавкого предохранителя (5x20 мм), что обеспечивает надежную защиту группы модулей от короткого замыкания в полевой сети. Состояние предохранителя контролируется электроникой: при срабатывании защиты загорается красный светодиод, а информация об ошибке передается по шине данных. Модуль обеспечивает высокую помехозащищенность системы. Пружинные зажимы гарантируют надежность подключения силовых кабелей. Устройство необходимо для разделения групп модулей с различными требованиями к питанию или для добавления дополнительной мощности в систему.
| Параметр | Значение |
| Фирма | WAGO |
| Модель | 750-601 |
| Входное напряжение | 24 V DC |
| Ток силовой шины | макс. 6.3 А (некоторые версии до 10 А) |
| Тип предохранителя | 5 x 20 мм |
| Индикация | Светодиод питания и ошибки предохранителя |
| Ширина корпуса | 12 мм |
| Вес | 50.5 г |

Power supply - Источник питания
Supply via power jumper contacts - Питание через силовые перемычки
Fuse holder - Держатель предохранителя
Indicator "fuse blown" - Индикатор «предохранитель перегорел»
Fuse - Предохранитель
Logic - Логика
5 x 20 mm - 5 х 20 мм (размер предохранителя)
Data contacts - Контакты передачи данных
Power jumper contacts - Силовые перемычки (контакты питания)
24 V - 24 В
0 V - 0 В
750-601 - Номер модели модуля
| Категория | Серия (артикулы) | Примеры моделей | Описание |
| Fieldbus Couplers (Каплеры) | 750-3xx | 750-333, 750-352, 750-362 | Интерфейсные модули для связи с верхним уровнем (PROFIBUS, ETHERNET, Modbus TCP/UDP). |
| Controllers (ПЛК) | 750-8xx | 750-880, 750-8212 (PFC200) | Программируемые контроллеры для локального управления и обработки данных. |
| Digital Input (Дискретные входы) | 750-4xx | 750-400, 750-430, 750-1405 | Модули на 2, 4, 8 или 16 каналов для приема сигналов 24V DC, 230V AC. |
| Digital Output (Дискретные выходы) | 750-5xx | 750-501, 750-530, 750-1504 | Управление реле, транзисторные выходы для исполнительных механизмов. |
| Analog Input (Аналоговые входы) | 750-4xx | 750-455, 750-494 | Измерение тока (4-20 mA), напряжения (0-10 V), модули измерения мощности. |
| Analog Output (Аналоговые выходы) | 750-5xx | 750-550, 750-559 | Формирование управляющих сигналов 0-10 V или 0/4-20 mA. |
| Specialty Modules (Спец. функции) | 750-6xx | 750-638, 750-652, 750-641 | Счетчики, интерфейсы RS-232/485, управление DALI или EnOcean. |
| System Modules (Системные) | 750-6xx | 750-600, 750-602, 750-622 | Оконечные модули (End Module), модули питания и разделения потенциалов. |
- Удобная замена предохранителя без демонтажа проводов.
- Системная диагностика неисправностей питания в режиме реального времени.
- Высокая виброустойчивость и надежность соединений.
Гарантия стабильного питания и защиты ваших распределенных систем автоматизации.