Wachendorff WDGI58B‑10‑2000‑AB‑G24‑K3 представляет собой инкрементальный оптический энкодер 58 мм, используется для точного измерения углового и линейного перемещения в приводных системах.
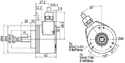
Энкодер WDGI58B‑10‑2000‑AB‑G24‑K3 от Wachendorff Automation входит в серию WDGI 58B — промышленных инкрементальных энкодеров с клиновым фланцем Ø58 мм, валом Ø10 мм и разрешением 2000 имп/об. Устройство построено на основе оптического метода считывания с высокой частотой выходного сигнала до 2 МГц, благодаря чему подходит для высокоскоростных и точных применений. Корпус энкодера из алюминиевого литья под давлением с экологичным полимерным покрытием обеспечивает прочность и защиту степени IP67 вместе с валом – IP65. Рабочий диапазон напряжения питания — 10…30 VDC, потребление типично 70 мА; имеются HTL выходы усиленные TTL/RS422 совместимые. Максимальная скорость вращения — до 8000 об/мин, при этом пользователь может получить модель с расширенной температурной стойкостью −40…+85 °C и усиленными характеристиками вибро- и ударостойкости 50 m/s², 1000 m/s². Энкодеры WDGI58B востребованы при автоматизации станков, сервоприводах, дискретных линиях, упаковочном и конвейерном оборудовании, где критична точная обратная связь.
| Производитель | Wachendorff Automation GmbH & Co. KG (Германия) | 
| Серия | WDGI 58B | 
| Модель | WDGI58B‑10‑2000‑AB‑G24‑K3 | 
| Корпус | Ø58 мм, алюминиевый фланец, IP67 (корпус), IP65 (вал) | 
| Вал | Ø10 мм, L 20 мм, сталь | 
| Разрешение | 2000 имп/об | 
| Выход | HTL (цифровой, TTL/RS422‑совместимый) | 
| Частота сигнала | до 600 кГц (≤1200 PPR), до 2 МГц (>1200 PPR) | 
| Напряжение питания | 10…30 VDC | 
| Потребление тока | ≈70 мА | 
| Макс. скорость вращения | до 8000 об/мин | 
| Температурный диапазон | −10…+70 °C стандарт; опц. −40…+85 °C | 
| Вибростойкость | 50 m/s² (10–2000 Гц) | 
| Ударостойкость | 1000 m/s² (6 мс) | 
| Масса | ≈0.5 кг | 
| Разъём/кабель | K3 — радиальный кабель 2 м, экран подключен к корпусу | 
| Особенность | Раннее предупреждение об износе (Early-Warning) | 

- Промышленная надёжность: IP67, алюминиевый корпус и защита вала.
- Высокое разрешение и скорость: 2000 PPR, выходной сигнал до 2 МГц.
- Широкие диапазоны: питание 10…30 VDC, температура −40…+85 °C (опц.), скорость до 8000 об/мин.
- Стойкость: выдерживает вибрацию 50 m/s² и удары 1000 m/s².
- HTL‑выход: совместим с промышленными контроллерами и считывающим оборудованием.
- Разъём K3: удобное радиальное подключение с экранированием.
- Профилактическое предупреждение: индикатор раннего износа.
Надёжный промышленный энкодер: до 25000 имп/об, степень защиты IP67, выходной сигнал до 600 кГц/2 МГц; опции –40…+85 °C; имеется выход раннего предупреждения о износе.
Техническое_описание_Wachendorff_WDGI58B‑10‑2000‑AB‑G24‑K3.pdf