TR Electronic CEV65M-01542 представляет собой абсолютный Profibus DP энкодер разрешения 8192/4096, используется в системах точного измерения и контроля с интерфейсом Profibus.
Энкодер CEV65M‑01542 оснащён разрешением 8192 PPR, 4096 оборотов — идеален для высокоточного позиционного контроля в оборудовании с длинными ходами (линии, фрезы, позиционеры). Это расширенная версия CEV65M‑01460 с удвоенным вых. разрешением. Интерфейс аналогичен: Profibus DP, RS‑485, питание 11–27 V, корпус IP65, диапазон температуры –20…+70 °C. Также присутствует DIP‑переключатели, фланец ZB36, PG9 разъёмы . Применяется такой энкодер в тех же областях, где требуется ещё более детальная дискретность угла — например, в станках, потоковых системах или медицинском оборудовании.
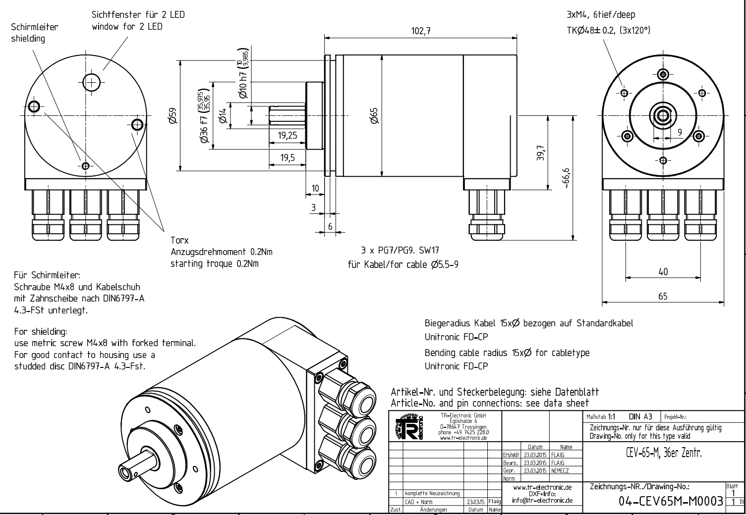
| Производитель | TR Electronic GmbH (Германия) |
| Серия | CEV65M |
| Модель | CEV65M-01542 (артикул 110-01542) |
| Разрешение | 8192 имп./оборот; 4096 оборотов |
| Интерфейс | Profibus DP (RS‑485, PNO Class 2) |
| Напряжение питания | 11–27 В DC, ≈120 мА |
| Выход | RS‑485 |
| Диапазон температуры | –20…+70 °C |
| Фланец / Вал | ZB36; Ø10 мм |
| Тип вала | 10FL/19 (гладкий/шлицевой) |
| Корпус и клеммы | Алюминий; 3×PG9, радиальные |
| Вес | ≈ 1.53 кг |

- Максимальное разрешение 8192/4096 — высокая точность.
- Profibus DP Class 2 — полный контроль сети.
- IP65 корпус, устойчив к пыли и влаге.
- Температурный диапазон –20…+70 °C, устойчивая работа.
- Простое подключение через фланец и PG9.
- Совместимость с RS‑485 для конфигурации.
- Универсальность в применении — от станков до упаковки.
Энкодер TR‑Electronic CEV65M‑01542 разрешением 8192/4096, фланец ZB36, с интерфейсом Profibus PNO. Компания TR-Electronic рекомендует использовать только шинные кабели, сертифицированные организацией пользователей Profibus (PNO).