Siemens VXF53.25-10 представляет собой трехходовой седельный фланцевый клапан, предназначенный для применения в системах отопления, вентиляции и кондиционирования воздуха HVAC. Он используется для регулирования, смешения и распределения потоков теплоносителя в закрытых или открытых гидравлических контурах, обеспечивая надежное управление температурой и давлением.
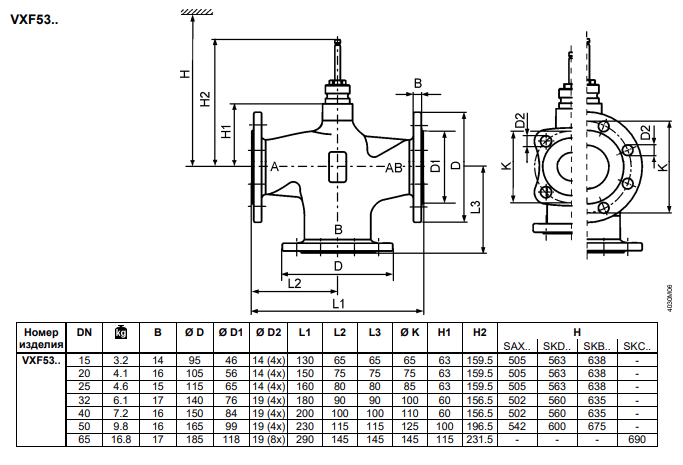
Клапан Siemens VXF53.25-10 изготовлен из высокопрочного чугуна EN-GJS-400-18-LT с элементами из нержавеющей стали, что обеспечивает высокую износостойкость и стойкость к коррозии. Модель имеет номинальный диаметр DN25, пропускную способность Kvs 10 м³/ч, рассчитана на рабочее давление PN25 и способна работать при температурах от -20°C до +220°C, что делает ее универсальной для различных инженерных систем. Клапан совместим с электроприводами Siemens SAX, SKD, SKB, SKC, обеспечивая широкие возможности интеграции в автоматизированные системы управления. Он обладает седельной конструкцией, которая предотвращает утечки и увеличивает надежность работы. Допускается установка в различных положениях, кроме штока вниз. Конструкция позволяет работать с антифризами, рассолами и тепловыми маслами, что расширяет область применения. Клапан часто применяется в котельных, тепловых пунктах, системах вентиляции и кондиционирования, а также холодильных установках, обеспечивая долговечность и точность регулирования.
| Характеристика | Значение |
|---|---|
| Фирма-изготовитель | Siemens |
| Страна изготовления | Германия |
| Серия и модель | VXF53.25-10 |
| Номинальный диаметр (DN) | 25 |
| Пропускная способность Kvs | 10 м³/ч |
| Класс давления PN | PN25 |
| Материал корпуса | Высокопрочный чугун (EN-GJS-400-18-LT) |
| Материал плунжера и штока | Нержавеющая сталь |
| Температурный диапазон | -20...+220 °C |
| Тип соединения | Фланцевый |
| Управление | Электроприводы Siemens (SAX, SKD, SKB, SKC) |

- Высокопрочный корпус из чугуна EN-GJS-400-18-LT.
- Работает в широком температурном диапазоне от -20 до +220°C.
- Совместимость с различными электроприводами Siemens.
- Использование в закрытых и открытых гидравлических контурах.
- Возможность регулирования с минимальными утечками.
- Предназначен для работы с антифризами и теплоносителями высокого температурного режима.
- Универсальная установка (кроме штока вниз).
Клапаны серии VXF53 обеспечивают высокую производительность и надежность при работе в сложных условиях. Они идеальны для систем отопления, вентиляции и кондиционирования, предоставляя точный контроль и долговечность в эксплуатации, что существенно повышает эффективность инженерных систем