Siemens VXF42.15-1.6 S55204‑V127 представляет собой трёхходовой фланцевый регулирующий клапан седельного типа, рассчитанный на номинальное давление PN16, диаметр DN15 и пропускную способность kvs = 1,6 м³/ч. Используется в системах вентиляции, отопления и кондиционирования воздуха HVAC для точного управления потоками воды, воды с антифризом или рассолов в закрытых контурах.
Клапан Siemens VXF42.15‑1.6 является частью профессиональной серии Acvatix VXF42, предназначенной для точного регулирования гидравлических потоков в автоматизированных инженерных системах. Корпус изделия выполнен из серого чугуна EN‑GJL‑250, который обеспечивает прочность и стойкость к давлению, а плунжер и уплотнительные элементы изготовлены из нержавеющей стали, латуни и EPDM - для долговечности и герметичности.
Фланцы изготовлены по стандарту ISO 7005 (тип 21, исполнение B), что обеспечивает лёгкую установку и совместимость с другими элементами трубопровода. Клапан рассчитан на использование с охлаждённой, нагретой и горячей водой, а также с рассолами и гликолевыми смесями (концентрация ≤ 50 %). Рабочий диапазон температур составляет от -10 °C до +150 °C, а номинальное рабочее давление - до 16 бар. Конструкция обеспечивает точное смешение или распределение потоков, при этом плотность закрытия - до 0,02 % от kvs.
Клапан совместим с электромеханическими и гидравлическими приводами Siemens SAX.., SKD.., SKB.., SKC.. и SAV.., что делает его универсальным элементом систем автоматического регулирования.
| Параметр | Значение |
|---|---|
| Изготовитель | Siemens |
| Страна производства | Германия |
| Серия | Acvatix VXF42 |
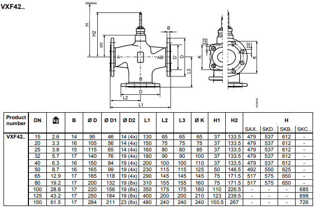
| Модель | VXF42.15‑1.6 (S55204‑V127) |
| Тип клапана | Трёхходовой седельный, фланцевый |
| Номинальный диаметр (DN) | 15 мм |
| Пропускная способность (kvs) | 1,6 м³/ч |
| Максимальное давление (PN) | 16 бар (PN16) |
| Диапазон температур | –10 … +150 °C |
| Рабочие среды | Вода, гликолевые смеси до 50 %, рассолы |
| Материал корпуса | Серый чугун EN‑GJL‑250 |
| Материал плунжера и седла | Латунь / нержавеющая сталь |
| Уплотнения | EPDM |
| Диапазон регулирования | > 50 : 1 |
| Уровень утечки | ≤ 0,02 % от kvs |
| Ход штока | 20 мм |
| Соединение | Фланцевое ISO 7005 (тип 21, исполнение B) |
| Совместимые приводы | SAX.., SKD.., SKB.., SKC.., SAV.. |
| Масса | ≈ 2,6 кг |
| Допустимые позиции установки | Любая, кроме «штоком вниз» |
| Класс герметичности | ≤ 0,02 % (по DIN EN 1349) |

-Компактный трёхходовой регулирующий клапан DN15, kvs = 1,6 м³/ч, PN16 для точного распределения и смешения потоков.
-Корпус из чугуна EN‑GJL‑250, внутренние детали из латуни и нержавеющей стали - высокая стойкость к нагрузкам и коррозии.
-Рабочий диапазон температур от -10 до +150 °C, подходит для воды, гликолев и рассолов.
-Совместим с актуаторами Siemens SAX, SAV, SKD, SKB, SKC (полнодиапазонное управление).
-Установка в любом положении, кроме «штоком вниз», простое обслуживание.
Siemens VXF42.15‑1.6 высокоточный регулирующий трёхходовой клапан, обеспечивающий долговечную и надёжную работу в системах HVAC. Фланцевое соединение, качественные материалы и точная балансировка потока делают его идеальным решением для автоматизированных инженерных сетей.