Siemens QFM3100 представляет собой канальный датчик влажности и температуры, предназначенный для систем вентиляции и кондиционирования воздуха HVAC, где требуется высокая точность измерений и надёжность. Он используется для мониторинга параметров воздуха в воздуховодах и автоматического управления приточной вентиляцией.
Датчик QFM3100 входит в серию Symaro и основан на ёмкостном принципе измерения относительной влажности, что обеспечивает высокую долговременную стабильность, минимальный дрейф и быструю реакцию на изменение условий окружающей среды. Температура измеряется встроенным сенсором Pt1000 с точностью ±0,6 °C в диапазоне 15-35 °C.
QFM3100 применяют в приточных/вытяжных системах вентиляции, где важно поддерживать корректный уровень влажности и температуры для оптимального микроклимата - например, в лабораториях, музеях, больницах, производственных зонах, центрах обработки данных и бассейнах.
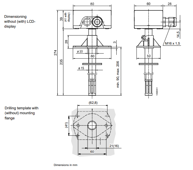
Корпус устройства выполнен из прочного АБС-пластика с классом защиты IP65, что позволяет использовать его в условиях повышенной влажности и запылённости. Длина зонда - 210 мм, что обеспечивает точное измерение потока воздуха внутри воздуховода.
Датчик формирует два активных аналоговых сигнала 0-10 В DC: один для влажности, второй - для температуры. Он совместим с контроллерами Siemens Desigo, Synco и другими системами зданий. Дополнительно предусмотрена функция тестирования для периодической поверки.
| Характеристика | Значение | 
|---|---|
| Фирма-изготовитель | Siemens | 
| Серия | Symaro QFM | 
| Модель | QFM3100 | 
| Тип датчика | Канальный, для температуры и влажности | 
| Диапазон измерения влажности | 0-100%RH | 
| Диапазон измерения температуры | -40…+70 °C | 
| Точность влажности | ±2%RH при 23 °C и 10–90%RH | 
| Точность температуры | ±0.6 °C при 15-35 °C | 
| Рабочее напряжение | AC 24 В ±20% / DC 13.5–35 В | 
| Выходные сигналы | DC 0…10 В (влажность и температура) | 
| Длина зонда | 210 мм | 
| Материал корпуса | Пластик устойчивый к УФ | 
| Класс защиты | IP65 | 
| Рабочая температура среды | -40…+70 °C | 
| Применение | Вентиляционные, приточные и вытяжные установки | 

- Измеряет как влажность, так и температуру воздуха с высокой точностью.
- Ёмкостная технология для долговременной стабильности.
- Два активных аналоговых выхода 0-10 В.
- Высокая степень защиты IP65 - подходит для агрессивных сред.
- Простая установка и обслуживание.
- Возможность калибровки и проверки через тестовый режим.
Датчики серии QFM обеспечивают максимальную точность измерения влажности и температуры в системах HVAC. Модель QFM3100 идеально подходит для промышленных и коммерческих объектов, требующих надёжного контроля микроклимата и энергоэффективного управления вентиляцией.