Siemens QBM3020-1U артикул - S55720-S233 представляет собой прецизионный дифференциальный датчик давления, измеряющий значения в диапазоне от -50 до +50 Па. Используется в системах вентиляции, кондиционирования и автоматизации зданий для контроля перепадов давления воздуха и неагрессивных газов, фильтров, потоков и балансировки систем приточно-вытяжной вентиляции.
Датчик QBM3020-1U от Siemens разработан для высокоточных измерений малых перепадов давления в воздуховодах и помещениях с повышенными требованиями к точности - лабораториях, чистых комнатах, медицинских и фармацевтических зонах. Он фиксирует давление в рабочем диапазоне ±50 Па и выдает стандартный аналоговый сигнал 0-10 В DC. Благодаря применению пьезорезистивного сенсора- силиконовая мембрана и керамический рычаг датчик имеет стабильную характеристику даже при колебаниях температуры и минимальную погрешность.
Особенностью модели является возможность выбора зависимости выходного сигнала: линейной или по извлечению квадратного корня, что делает прибор универсальным для задач измерения расхода воздуха. Все устройства серии QBM3020 характеризуются быстрой реакцией менее 20 мс и высокой точностью ошибка < ±1% FS. Кроме того, прибор оснащен функцией обнуления zero-point adjustment для устранения ошибок, связанных с монтажным положением, и имеет электронную температурную компенсацию. Корпус из прочного пластика с защитой IP54 надежно защищает электронную часть от пыли и влаги, а встроенное крепление обеспечивает легкий монтаж на стену, воздуховод или панель автоматики.
При установке рекомендуется направление штуцеров вниз во избежание накопления конденсата внутри камеры измерения. В комплект входят две пластиковые трубки длиной 2 м, штуцеры и крепеж. Питание - от источников постоянного 13.5-33 В или переменного тока (24 В, 50/60 Гц). Датчик не требует калибровки в процессе эксплуатации и отличается долговременной стабильностью по стандарту DIN IEC 60770 ±1% FS в год.
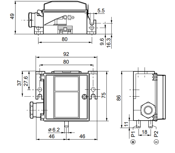
QBM3020-1U соответствует международным стандартам EN 60730 класс защиты III, EN 61326 электромагнитная совместимость, а также экологическим директивам RoHS и ISO 14001. Малый вес около 0.18 кг и компактные размеры 101×86×49 мм позволяют использовать его практически в любых HVAC-инсталляциях. Эта модель также совместима с контроллерами Siemens Desigo, Synco, Climatix и сторонними системами автоматизации зданий.
| Фирма-изготовитель | Siemens |
| Страна производства | Германия |
| Серия | QBM3020 |
| Модель | QBM3020-1U |
| Артикул | S55720-S233 |
| Тип датчика | Дифференциальный, электронный |
| Диапазон измерений | -50...+50 Па |
| Выходной сигнал | DC 0...10 В |
| Питание | AC 24 В ±15%, 50/60 Гц или DC 13.5-33 В |
| Ток потребления | <10 мА |
| Характеристика сигнала | линейная или квадратнокорневая (переключаемая DIP-переключателем) |
| Время отклика | < 20 мс |
| Материал сенсора | Силиконовая мембрана, керамический рычаг |
| Погрешность измерения | < ±1% от полной шкалы |
| Температура эксплуатации | 0…70 °C |
| Температура хранения | -25…+70 °C |
| Влажность | до 90% без конденсата |
| Класс защиты корпуса | IP54 |
| Класс изоляции | III (EN 60730) |
| Разъемы | Винтовые клеммы 1.5 мм², Pg11 |
| Масса с упаковкой | 0.183 кг |
| Срабатывание нуля | кнопочное, с LED-индикацией |
| Сертификаты | EN 61326, RoHS 2011/65/EU, UL 60730-1/2-6 |

- Высокая точность измерения малых перепадов давления ±50 Па.
- Температурная компенсация и стабилизированный выходной сигнал.
- Переключаемая характеристика линейная/корневая.
- Встроенная регулировка "нуля" для устранения ошибок монтажа.
- Электронная защита от переполюсовки и короткого замыкания.
- Универсальное питание: AC/DC 24 В.
- Быстрая реакция - менее 20 миллисекунд.
- Абсолютная долговременная стабильность, не требует калибровки.
- Удобное настенное или панельное выполнение с защитой IP54.
- Совместимость с контроллерами систем автоматизации HVAC.
Датчики давления серии QBM3020 обеспечивают стабильное и высокоточное измерение даже самых малых перепадов давления. Они создаются для систем с жесткими требованиями к точности и надежности, отличаясь длительным сроком службы, низким энергопотреблением и простотой интеграции в любые HVAC-системы.