Siemens GEB141.1E, S55499-D329 представляет собой привод воздушной заслонки с роторным механизмом, предназначенный для управления вентиляционными заслонками в системах HVAC. Он обеспечивает точное вращение заслонки на угол до 90°, что способствует регулировке воздушных потоков внутри зданий.
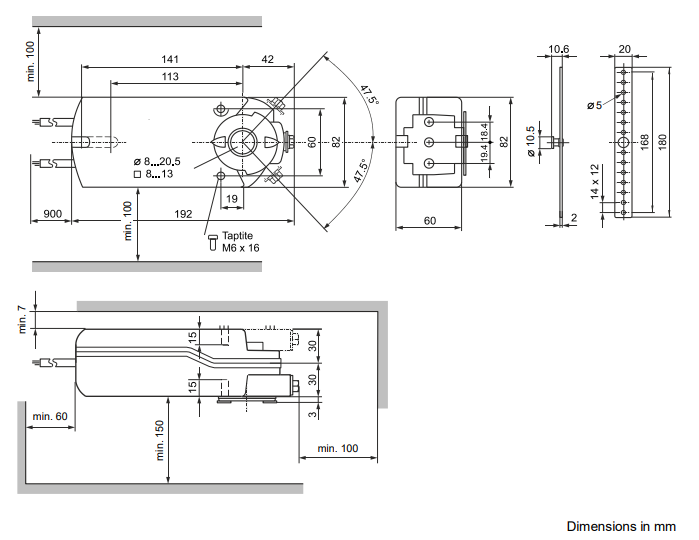
Этот привод обладает номинальным крутящим моментом 20 Нм и предназначен для работы без возвратной пружины, что делает управление более гибким и точным. Модель оснащена самосцентирующимся адаптером для вала диаметром 8-20.5 мм и квадратного 8-14.5 мм, что позволяет легко интегрировать его с различными типами заслонок и валов. Минимальная длина вала - 20 мм. Корпус выполнен из литого алюминия, что обеспечивает прочность и долговечность устройства даже при эксплуатации в условиях повышенной влажности и пыли? степень защиты IP54.
Привод оснащен системой указания положения заслонки и возможностью настройки механического ограничителя (ограничительного стопора), что позволяет точно настроить диапазон движения. Встроенная кнопка отключения передачи привода даёт возможность ручного управления заслонкой, что удобно при монтаже, тестировании или в аварийных режимах. Для подключения используется кабель длиной 0.9 м, соответствующий стандартам электромонтажа, с винтовыми зажимами, рассчитанными на кабели до 2,5 мм².
Рабочий диапазон температур для этого привода составляет от -20°C до +50°C, что подходит для большинства условий внутренней установки. Устройство поддерживает режим двух- и трёхпозиционного управления, что позволяет использовать его как для простых режимов открывания/закрывания, так и для более тонкой регулировки заслонки.
Технически привод обладает высокой надёжностью: он не требует технического обслуживания в течение всего срока эксплуатации и гарантирует стабильную работу в течение многих лет. Его конструкция предусматривает минимальный уровень шума - менее 35 дБ, что важно для соблюдения комфортных условий внутри помещений. Кроме того, устройство успешно прошло сертификацию по стандартам IP54, что подтверждает устойчивость к пыли и влаге.
Привод GEB141.1E идеально подходит для автоматизированных систем вентиляции и климат-контроля, где важна точность, надежность и долговечность. Он легко интегрируется в системы управления HVAC, обеспечивая возможность дистанционного или автоматического регулирования заслонок, а также позволяет осуществлять ручное управление при необходимости.
| Производитель | Siemens |
| Страна производства | Германия |
| Модель | GEB141.1E, S55499-D329 |
| Тип привода | Роторный, без пружины возврата |
| Максимальный крутящий момент | 20 Нм |
| Механическая нагрузка | до 90° (регулируемый диапазон) |
| Время полного вращения | 150 секунд |
| Рабочий диапазон температуры | -20…+50 °C |
| Степень защиты | IP54 |
| Материал корпуса | Литой алюминий |
| Размеры | 183 × 82 × 60 мм |
| Кабель | 0.9 м, кабельные зажимы до 2.5 мм² |
| Уровень шума | < 35 дБ |
| Конфигурации управления | 2- или 3-позиционные |
| Область применения | Управление вентиляционными заслонками в системах HVAC |

- Роторный привод с крутящим моментом 20 Нм, подходящий для управления средними по размеру вентиляционными заслонками.
- Отсутствие возвратной пружины, что позволяет гибко и точно управлять положением заслонки по сигналу от контроллера.
- Самосцентрирующийся адаптер подходит для валов диаметром 8-20.5 мм и квадратных валов 8-14.5 мм.
- Встроенный механический ограничитель и настройка угла вращения до 90° обеспечивают точную регулировку.
- Возможность ручного управления заслонкой благодаря кнопке отключения передачи.
- Степень защиты IP54, устойчивость к пыли и влаге, пригодность для эксплуатации во внутренних помещениях.
- Низкий уровень шума работы- менее 35 дБ, сохраняющий комфорт внутри помещений.
- Поддержка двух- и трёхпозиционного электросигнального управления.
- Высокая надежность и долговечность без необходимости технического обслуживания.
- Простое подключение и монтаж с помощью стандартных винтовых зажимов и 0.9 м кабеля.
Привод GEB141.1E обеспечивает надежную и точную автоматизацию вентиляционных заслонок, значительно повышая эффективность систем кондиционирования и вентиляции благодаря своим высоким техническим характеристикам, долговечности и простоте интеграции в современные системы управления зданий.