SEMIKRON, модель SKKT 330/16E, представляет собой сдвоенный тиристорно-диодный модуль в корпусе SEMIPACK 3, рассчитанный на максимальное обратное напряжение 1600 В и средний прямой ток до 305 А. Модуль предназначен для применения в силовой электронике, особенно в системах управления электроприводами, преобразователях частоты и промышленной автоматике.
Тиристорный модуль SKKT 330/16E состоит из двух последовательно соединенных тиристоров SCR и двух последовательных диодов, образующих мостовую схему для выпрямления и управления током. Корпус SEMIPACK 3 обеспечивает надежную защиту полупроводников, эффективный теплоотвод и удобство монтажа. Встроенная опорная плита выполнена из нитрида алюминия на керамической основе, что обеспечивает высокую теплопроводимость и изоляцию.
Модуль выдерживает высокие пиковые токи до 9500 А при импульсах и обладает высоким максимальным током включения затвора 200 мА и током удержания 500 мА. Конструкция с использованием прижимных контактов из драгоценных металлов гарантирует долгий срок службы и надежность в эксплуатации. Температура работы достигает до 130 °C для кристаллов тиристоров, что позволяет использовать модуль в самых жестких промышленных условиях.
Типичные области применения SKKT 330/16E включают промышленное управление двигателями, преобразовательные блоки, системы регулирования температуры и освещения, а также силовую электронную часть в оборудовании микроволновой и энергетической индустрии.
| Производитель | SEMIKRON |
| Страна изготовления | Словакия |
| Модель | SKKT 330/16E |
| Корпус | SEMIPACK 3 |
| Тип модуля | Тиристорно-диодный мост |
| Максимальное напряжение | 1600 В |
| Максимальный ток | 305 А (средний прямой) |
| Пиковый ток | 9500 А (импульс) |
| Максимальный ток затвора | 200 мА |
| Ток удержания | 500 мА |
| Температура | До 130 °C (кристалл) |
| Вес | 640 г |
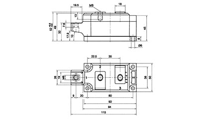
| Размеры (Д×Ш×В) | 115×50×52 мм |

- Высокая надежность и стабильность при длительной эксплуатации.
- Эффективное охлаждение и изоляция за счет алюминиевого нитридного основания.
- Высокий пиковый ток и хорошие характеристики коммутации.
- Оптимальный выбор для управления мощными промышленными электроприводами.
- Совместимость с современными силовыми установками и преобразователями.
Тиристорный модуль SKKT 330/16E сочетает в себе мощность, надежность и передовые технологии для обеспечения высокой эффективности управления в самых требовательных промышленных системах. Изолированное основание и качественные материалы гарантируют оптимальные тепловые характеристики и долговечность.