LJ-MD, модель MDK200A/1400V, представляет собой силовой диодный модуль с максимальным средним прямым током до 200 А и пиковым обратным напряжением 1400 В. Этот модуль используется в выпрямительных устройствах, источниках питания, преобразователях частоты и системах управления мощностью для надежного и эффективного преобразования электроэнергии.
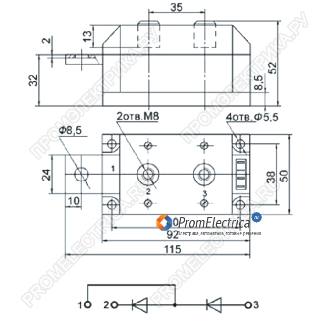
Диодный модуль MDK200A/1400V относится к неуправляемым выпрямителям со схемой с общим катодом, которые имеют монолитную конструкцию с двойной диодной топологией. Устройство обеспечивает высокую электрическую и тепловую стабильность, что гарантирует продолжительный срок службы даже при интенсивной эксплуатации в сложных промышленных условиях.
Модуль обладает изолированным основанием с электрической прочностью до 3000 В, что позволяет безопасно интегрировать его в силовые цепи преобразователей. Диапазон рабочих температур модуля составляет до 150 °C по переходу, а температурный режим корпуса выдерживает до 40 °C. Установленные клеммы питания расположены на верхней части корпуса, что облегчает подключение и обслуживание.
MDK200A/1400V применяется в системах плавного пуска асинхронных двигателей, выпрямителях силовых установок, источниках бесперебойного питания, системах регулирования освещения и температуры, а также в электротехнологических установках. Его характеристики делают модуль оптимальным выбором для промышленных преобразователей и управляющей электроники со средним током нагрузки порядка 200 А.
| Производитель | LJ-MD |
| Страна производства | Китай |
| Модель | MDK200A/1400V |
| Тип устройства | Диодный модуль, неуправляемый выпрямитель с общим катодом |
| Номинальный средний ток | 200 А |
| Максимальное обратное напряжение | 1400 В |
| Монтаж | Изолированное основание |
| Максимальная температура перехода | 150 °C |
| Максимальная температура корпуса | 40 °C |
| Корпус | Стандартный промышленный корпус |
| Размеры | около 115×52×50 мм |
| Вес | около 800 г |

- Высокая надежность при интенсивной эксплуатации.
- Изолированное монтажное основание для простой и надежной установки.
- Высокая тепловая и электрическая стабильность.
- Универсальность применения в различных силовых системах.
- Компактные размеры и легкий вес.
Силовые диодные модули MDK200A/1400V обеспечивают надежную и устойчивую работу в широком спектре промышленных приложений. Они разработаны для высокой эффективности, долговечности и простоты интеграции в современные системы управления энергией.