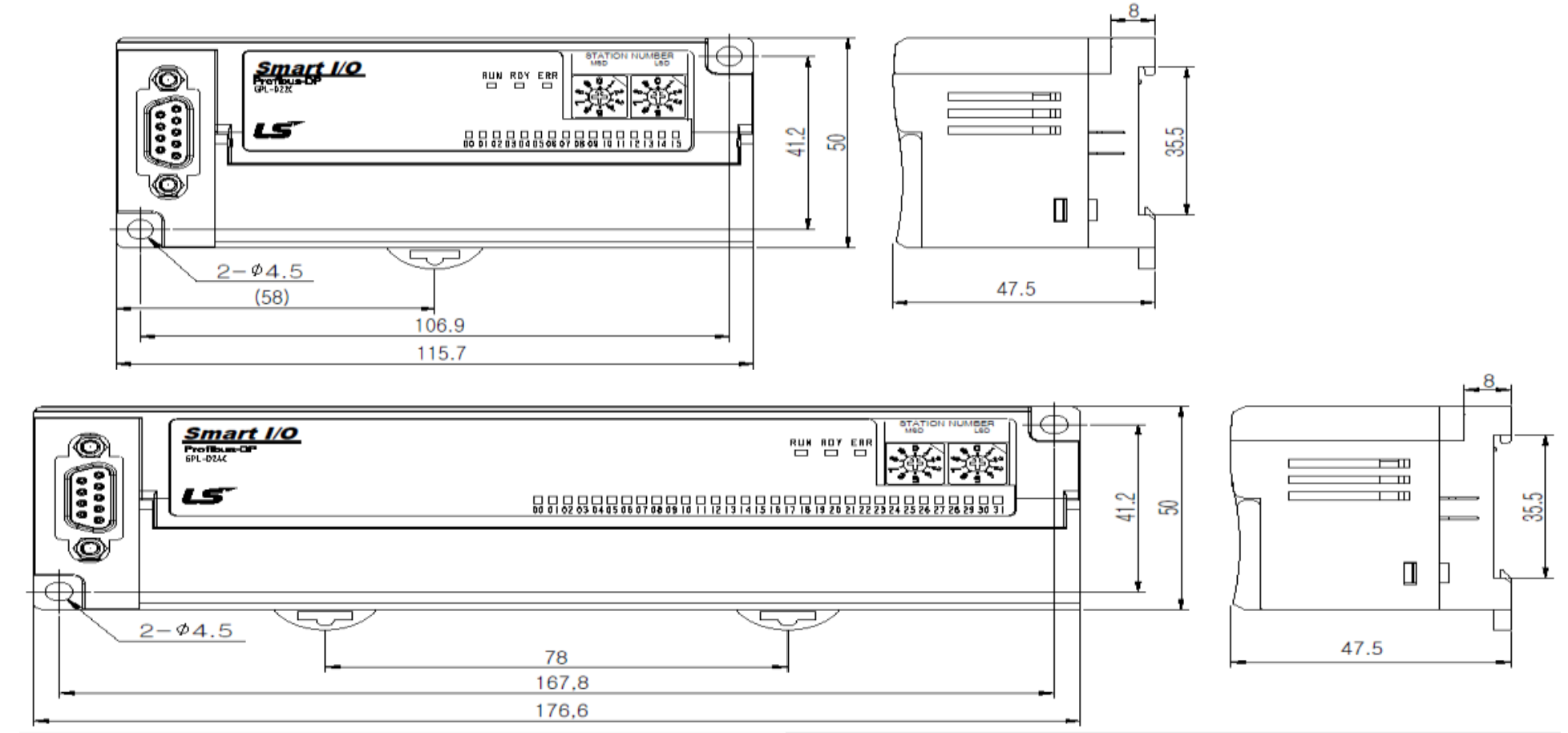
LS Electric GPL-D22C представляет собой модуль дискретного ввода серии Smart I/O. Он применяется в качестве удаленного узла сбора данных для получения 16 сигналов постоянного тока напряжением 24 В в распределенных сетях управления.
Данный модуль предназначен для использования в системах промышленной автоматизации, построенных на базе контроллеров сетей Profibus-DP, DeviceNet или Rnet. Принцип работы устройства заключается в приеме логических сигналов от полевых устройств (кнопки, датчики приближения, концевые выключатели) и их преобразовании в цифровой формат для передачи мастер-контроллеру по сетевому кабелю. Модель GPL-D22C оснащена 16 входными точками, поддерживающими как положительную, так и отрицательную логику подключения (sink/source). Это обеспечивает универсальность при интеграции в существующие системы. Каждый вход снабжен схемой фильтрации помех, что исключает ложные срабатывания при работе вблизи силового электрооборудования. На передней панели модуля расположены яркие светодиодные индикаторы, отображающие состояние каждого входа и статус связи с сетью, что значительно облегчает пусконаладочные работы и диагностику неисправностей. Корпус прибора оптимизирован для быстрого монтажа на DIN-рейку. Клеммная колодка съемного типа позволяет производить замену модуля без отсоединения каждого провода по отдельности, сокращая время простоя оборудования при техническом обслуживании. Устройство характеризуется низким энергопотреблением и высокой скоростью обновления данных в сети.
| Параметр | Значение |
| Фирма | LS Electric |
| Страна | Южная Корея |
| Серия | Smart I/O |
| Модель | GPL-D22C |
| Количество входов | 16 |
| Номинальное напряжение | 24 V DC |
| Входной ток (на канал) | 7 мА |
| Изоляция | Оптическая |
| Индикация | Светодиодная |
| Крепление | DIN-рейка 35 мм |

- Поддержка различных типов логики входного сигнала.
- Съемный клеммный блок для удобного обслуживания.
- Компактная конструкция для распределенного монтажа в локальных шкафах.
Надежное звено вашей промышленной сети для точного сбора данных в любой точке производства.