Johnson Controls VG82B1S1N представляет собой двухходовой фланцевый вентиль из нержавеющей стали.
Он предназначен для регулирования потоков воды или пара в системах HVAC с пропускной способностью Kvs 6.3. Используется в промышленных и коммерческих установках с высоким давлением до PN16.
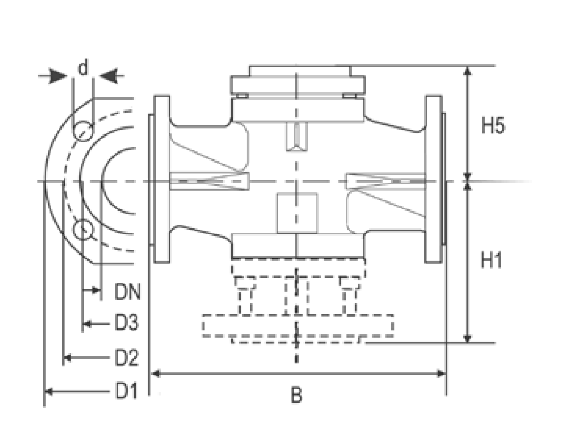
VG82B1S1N - это двухходовой фланцевый глобальный клапан из серии VG8000N с корпусом и внутренними деталями из нержавеющей стали SS, рассчитанный на DN20 3/4" с номинальной пропускной способностью Kvs 6.3 м³/ч. PDTC-конфигурация (Normally Open открытый при снятом сигнале) подходит для систем с высоким давлением PN16, max ΔP 500 кПа, где требуется надежное управление горячей/холодной водой, гликолем или паром до 180°C. Фланцевое соединение PN16 обеспечивает герметичное подключение к трубопроводам, совместимое с электроприводами VA-7xxx/VA-77xx 500-1000 N силы и пневматикой.
Конструкция с линейной характеристикой потока и низким Kv обеспечивает точную гидравлическую балансировку в чиллерах, бойлерах, теплообменниках и зоновых контурах. Close-off pressure до 1600 кПа при 1000 N актуаторе гарантирует полное перекрытие без утечек. По сравнению с чугунными VG74xx, нержавеющая версия устойчива к коррозии в агрессивных средах гликоль 50%, хлорированная вода. Документация подтверждает монтаж с VA1000-EP extension для T>140°C. В эксплуатации клапан снижает энергозатраты за счет минимального сопротивления в открытом положении Cv ~5.8. Сертифицировано CE/ISO, вес ~3 кг, ход штока стандартный для серии ~20 мм.

| Артикул | Типоразмер | Kvs | Давление в закрытом состоянии, кПа | |||||
| FA-2000-741x 2400 N |
FA-2000-751x 2200 N |
FA-3300 6000 N |
VA1x20** 2000 N |
VA1125** 2500 N |
VA78xx 1000 N |
|||
| VG82A4S1N | DN15 | 1.0 | --- | --- | --- | 1600 | 1600 | 1600 |
| VG82A3S1N | DN15 | 1.6 | --- | --- | --- | 1600 | 1600 | 1600 |
| VG82A2S1N | DN15 | 2.5 | --- | --- | --- | 1600 | 1600 | 1600 |
| VG82A1S1N | DN15 | 4.0 | --- | --- | --- | 1600 | 1600 | 1600 |
| VG82B1S1N | DN20 | 6.3 | --- | --- | --- | 1600 | 1600 | 1600 |
| VG82C1S1N | DN25 | 10 | --- | --- | --- | 1600 | 1600 | 1570 |
| VG82D1S1N | DN32 | 16 | --- | --- | --- | 1600 | 1600 | 770 |
| VG82E1S1N | DN40 | 25 | --- | --- | --- | 1600 | 1600 | 440 |
| VG82F1S1N | DN50 | 40 | --- | 1030 | --- | 800 | 1080 | --- |
| VG82G1S1N | DN65 | 63 | --- | 790 | --- | 630 | 830 | --- |
| VG82H1S1N | DN80 | 100 | --- | 370 | --- | 380 | 390 | --- |
| VG82J1S1N | DN100 | 160 | 190 | --- | 740 | 160 | 230 | --- |
| VG82K1S1N | DN125 | 250 | 110 | --- | 460 | 90 | 140 | --- |
| VG82L1S1N | DN150 | 350 | 50 | --- | 280 | 40 | 75 | --- |
VG82B1S1N гарантирует надежное регулирование в агрессивных средах благодаря нержавеющему исполнению, высокой close-off pressure (перекрытие давления) и линейной характеристике для точного контроля в HVAC.