Endress+Hauser 92F40-DSEA1AA0A4AW представляет собой ультразвуковой расходомер, часто называемый «Prosonic Flow 92F DN40», применяется для точного измерения расхода жидкостей в химической и нефтехимической промышленности.
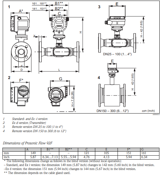
Расходомер Prosonic Flow 92F40 представляет собой линейную ультразвуковую систему с питанием по двухпроводной линии, предназначенную для высокоточного измерения объёмного и массового расхода жидкостей. Благодаря конструкции с параллельными ультразвуковыми путями, он обеспечивает минимальную требуемую длину прямого входного участка, уменьшая гидравлические потери. Модель DN40 (1½″) выполнена с компенсацией температурных и вязкостных искажений, допускает рабочие среды с температурой от –40 до +150 °C опционально до +200 °C и давлениями до PN 40 / ASME Class 300 / JIS 20 K. Среда может быть как проводящей, так и непроводящей жидкостью. Расходомер обеспечивает высокую точность: стандартная погрешность ±0,5 % и опционально ±0,3 % при расходах от 0,5 до 10 м/с. Материалы, контактирующие с продуктом — нержавеющая сталь 316L, подходящая для агрессивных сред и соответствующая стандартам NACE MR0175/MR0103. Корпус датчика сплошного потока, исключающий потери давления, имеет фланцы DN25…DN300. Размеры и монтаж стандартизированы, что облегчает установку на действующие трубопроводы. Встроенный микропроцессор поддерживает протоколы HART, PROFIBUS PA и FOUNDATION Fieldbus, а также оснащён двухстрочным ЖК-дисплеем с индикацией и кнопками для настройки. Диагностика прозрачна — прибор проводит проверку потока, замер скорости звука, целостности тракта и диагностику эхосигнала. Prosonic 92F чаще всего используется в химии, нефтехимии, энергетике и водоочистных установках, где требуются точные измерения, взрывозащита (ATEX, FM, CSA, NEPSI) и минимальный гидравлический эффект. Монтаж без существенного падения давления делает его удобным для retrofit-проектов.
| Производитель | Endress+Hauser (Швейцария/Германия) |
| Серия | Prosonic Flow 92F |
| Модель | 92F40-DSEA1AA0A4AW |
| Диаметр трубопровода | DN40 (1½″) |
| Принцип измерения | Ультразвук, двухпроводный, inline |
| Точность | ±0,5 % (стандарт), опц. ±0,3 % при 0,5–10 м/с |
| Диапазон расхода | 0,5…10 м/с |
| Температура среды | –40…+150 °C (опционально до +200 °C) |
| Давление | до PN 40 / ASME Cl. 300 / JIS 20 K |
| Материал чувствительных частей | SS 316L |
| Фланцы | DN25…300, стандартная конструкция без потерь давления |
| Протоколы связи | HART, PROFIBUS PA, FOUNDATION Fieldbus |
| Интерфейс пользователя | 2‑строчный LCD, кнопки |
| Питание | двухпроводная схема |
| Взрывозащита | ATEX, FM, CSA, NEPSI |

- Параллельные ультразвуковые пути — сокращают прямой участок.
- Минимальные потери давления — бесфланцевая конструкция inline.
- Высокая точность — ±0,5 %, опц. ±0,3 %.
- Расширенный температурный диапазон и взрывозащита.
- Широкие интерфейсы связи — HART, PROFIBUS PA, Foundation Fieldbus.
- Полная диагностика и прозрачность процесса.
- Соответствие стандартам NACE — подходит для агрессивных сред.
- Удобный дисплей и настройка без ПК.
Высокопроизводительный двухпроводный ультразвуковой расходомер в линию с параллельной трактовой структурой — минимальный входной участок, полнопроходной, с высокой точностью, прозрачной диагностикой и поддержкой HART/PROFIBUS/FF.
Краткое_техническое_описание_на_немецком_Endress+Hauser_92F40-DSEA1AA0A4AW.pdf
Техническое_описание_на_английском_Endress+Hauser_92F40-DSEA1AA0A4AW.pdf