Balluff, модель BNS819-B02-D12-61-12-3B представляет собой механический блочный концевой выключатель (позиционный многопозиционный конечник), разработанный для контактного определения конечных положений подвижных частей машин и промышленных механизмов.
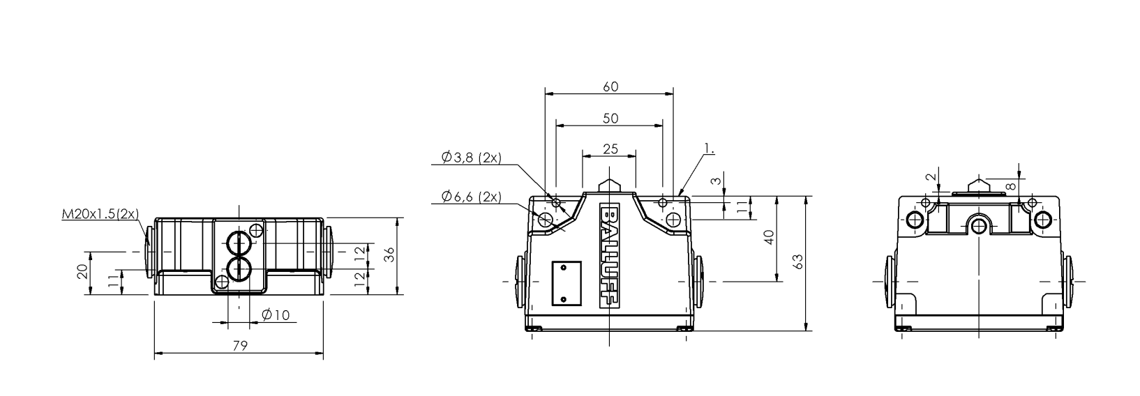
Механический выключатель Balluff BNS819-B02-D12-61-12-3B, также известный под артикулом BNS0271, применяется в автоматизированных линиях, оборудовании станков, а также комплексах промышленной автоматики для передачи сигнала о достигнутом положении подвижного объекта. Его корпус изготовлен из анодированного алюминия для повышения износостойкости и устойчивости к механическим воздействиям. Выключатель оснащён двумя толкателями типа "резец" с шагом 12 мм, обеспечивающими высокую точность срабатывания в определённых участках движения. Принцип действия устройства - механический, с возвратной пружиной и щелчковым элементом переключения BSE 74.1 (контакты NO/NC 0,1 A/30 V DC). Устройство рассчитано на работу в диапазоне температур от –5 °C до +85 °C и обладает высокой степенью защиты IP67, что позволяет использовать его в условиях повышенной загрязнённости и влажности. Монтажные размеры корпуса составляют 75×36×63 мм и предусматривают боковое подвод кабеля через стандартные вводы. Скорость подведения исполнительного элемента - до 40 м/мин, что делает выключатель пригодным для быстродвижущихся механизмов. Balluff BNS819-B02-D12-61-12-3B отличается долговечностью, минимальными потерями контакта и возможностью легкой интеграции в системы управления различного назначения: деревообработка, металлообработка, машиностроение и роботоведение. Клеммные колодки обеспечивают удобство подключения, а корпус герметизирован для защиты внутренних компонентов. Высокая надёжность, долговечность и простота обслуживания - ключевые причины выбора этого выключателя для ответственных промышленных задач.
| Фирма-изготовитель | Balluff |
| Страна изготовления | Германия |
| Серия | BNS 819 Серия 61 |
| Модель | BNS819-B02-D12-61-12-3B (BNS0271) |
| Тип корпуса | Алюминиевый, анодированный |
| Число точек переключения | 2 |
| Тип толкателя | Резец (chisel), шаг 12 мм |
| Принцип действия | Механический, многопозиционный |
| Номинальный ток | 0,1 А |
| Номинальное напряжение | 30 V DC |
| (NO/NC) | Да (BSE 74.1: нормально открытый/закрытый) |
| Диапазон температур | –5…+85 °C |
| Степень защиты | IP67 |
| Скорость срабатывания | до 40 м/мин |
| Подключение | Клеммный блок, боковой кабельный ввод |
| Габариты | 75 × 36 × 63 мм |

- Механический блочный выключатель с двумя независимыми толкателями.
- Анодированный алюминиевый корпус для длительной эксплуатации в промышленных условиях.
- Класс защиты IP67 для работы при высокой влажности и загрязнении.
- Оптимален для концевого позиционирования в станках и автоматизированных линиях.
- Простое подключение и удобство монтажа.
- Высокая скорость реагирования на механическое воздействие.
Блочные концевые выключатели Balluff - ваш надежный инструмент для точного позиционирования и контроля в промышленных условиях. Максимальная надежность, прочность корпуса и простота интеграции в любые автоматизированные системы - наши устройства всегда обеспечивают стабильный результат.