Allen‑Bradley 25B‑D4P0N114 представляет собой частотный преобразователь PowerFlex 525, который используется для управления скоростью и крутящим моментом трёхфазных электродвигателей в промышленных системах.
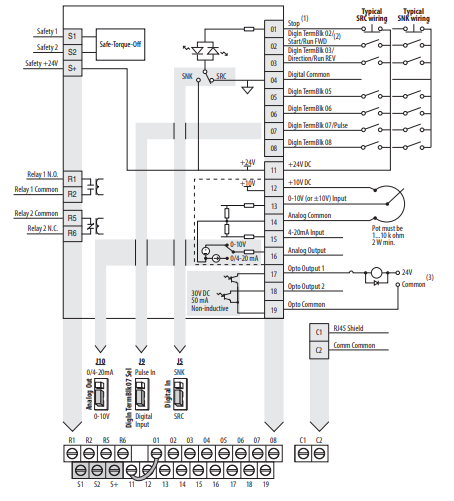
Модель 25B‑D4P0N114 представляет собой преобразователь частоты класса PowerFlex 525 от Rockwell Automation / Allen‑Bradley, предназначенный для универсального управления асинхронными и синхронными двигателями мощностью до 1,5 кВт 2 HP. Преобразователь поддерживает входное напряжение 380–480 В AC, три фазы, выходной ток до 4 А и широкий диапазон управления Volts-per-Hertz, Sensorless Vector, Closed-loop Vector, Permanent Magnet Motor Control. Устройство имеет встроенный модуль EtherNet/IP и функцию безопасности Safe Torque Off (SIL2 Cat 3), что позволяет интегрировать его в защищённые сети и применять в критичных к отказам системах. Имеется встроенный IGBT-тормоз, EMC-фильтр и вентиляционные зоны с IP20 корпусом. Управление осуществляется через клавишный интерфейс с LED-дисплеем и потенциометром. Размеры блока: ≈152 × 72 × 172 мм, вес ≈1,8 кг. Широко используется в системах насосного, вентиляционного и конвейерного оборудования, компрессорах и упаковочных линиях, где требуется точное регулирование скорости двигателя и встроенные коммуникации.
| Производитель | Rockwell Automation / Allen‑Bradley (США) |
| Серия | PowerFlex 525 |
| Модель | 25B‑D4P0N114 |
| Тип | Частотный преобразователь (VFD) |
| Мощность | 1.5 кВт (2 HP) |
| Напряжение входа | 380–480 В AC, 3 фазы |
| Выходной ток | 4 A |
| Управление | V/Hz, Sensorless/Closed-loop Vector, PM control |
| Интерфейс связи | EtherNet/IP (встроенный) |
| Безопасность | Safe Torque Off (SIL2 Cat 3) |
| Встроенная защита | EMC фильтр, IGBT тормоз |
| Размеры (В×Ш×Г) | 152 × 72 × 172 мм |
| Вес | ≈1.8 кг |

- Высокая гибкость управления — несколько режимов управления двигателем.
- Интегрированный EtherNet/IP — простая интеграция в сети промышленной автоматизации.
- Сертифицированная безопасность — Safe Torque Off уровня SIL 2.
- Компактный промышленный корпус — IP20, AC-фильтрация.
- Простота обслуживания — удобное меню с дисплеем и навигацией.
- Встроенный IGBT тормоз — эффективная остановка двигателей.
- Соответствует стандартам — CE, UL и др. (см. Cut‑Sheet).
Частотный преобразователь PowerFlex 525 с Ethernet/IP и функцией безопасности… Напряжение 380–480 В AC; Выходной ток 4 A; Встроенный тормоз IGBT; Частотный диапазон 50–60 Гц; Коэффициент мощности 0.98. Пульт с потенциометром и LED‑дисплеем.